Waterevolution Flow vgradna pipa za umivalnik s pokrivno ploščo iz brušenega medenine z izlivom 21 cm T1161LE-21

Številka artikla 1208941071
Waterevolution Flow vgradna pipa za umivalnik s pokrivno ploščo iz brušenega medenine z izlivom 21 cm T1161LE-21
€ 322,78 € 445,21 vklj. 22% DDV
Brezplačna dostava
Naročeno danes, dostava v 5-6 tednih
Znamka
Serija
214.000+ zadovoljnih strank
Brezplačna dostava od € 200
Enostavno vračilo v 30 dneh
Okolju prijazne možnosti dostave
Vse o tem izdelku
Informacije o izdelku

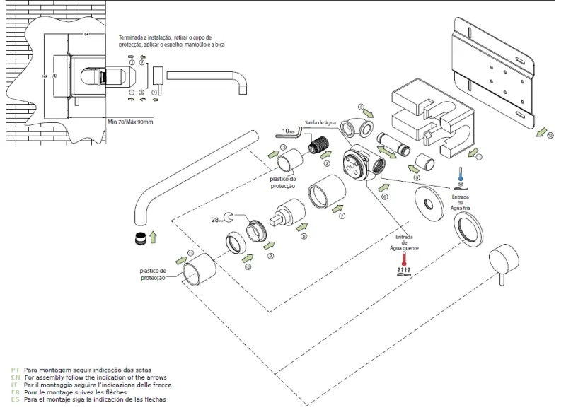
Waterevolution Flow vgradna pipa za umivalnik s pokrivno ploščo iz brušenega medenine z izlivom 21 cm T1161LE-21

  • Brušena medenina
  • Vključno z vgradnim delom
  • Dolžina izliva 210 mm
  • Keramični notranji del
  • Dimenzije pokrivne plošče 160 x 80 mm
  • Vgradna globina 70 mm

Izliv je na voljo v različnih dolžinah.

Specifikacije
Znamka Waterevolution
Barva Medenina
Dolžina izteka 210mm
Izžarevanje Oblikovanje
Serija Flow
Izvedba Vgradnja
Število lukenj za pipo 2-luknji
Vgradnja Ja
Način montaže Vgradnja
Vključno z vgradnim delom Ja
Keramični zgornji del Ja
Zapiralni mehanizem Keramična kartuša
Z rozetami / pokrovna plošča Ja
Oprijem Tesni prijem
Sestava Popoln
Dimenzija pokrovne rozete 160x80
Izvedba zamuda Trdno
Način delovanja Roka
Informacije o dostavi
Večina naših naročil je odpremljena z različnimi prevozniki. Včasih uporabimo druge prevoznike za dostavo specifičnih naročil ali za lajšanje obremenitev glavnih prevoznikov, da lahko izpolnimo naše obljube glede dostave.

Pričakovani čas dostave je vedno prikazan na strani izdelka. Večina izdelkov, ki jih imamo na zalogi, je odpremljenih istega dne. Zvečer pred dostavo boste prejeli informacije o sledenju z časovnim oknom za dostavo. Pomembno je vedeti: vozniki naših izbranih prevoznikov dostavijo izdelke do vhodnih vrat v pritličju.

Tudi za večje izdelke, kot so granitna korita, velika krhka korita, omare itd., boste zvečer prejeli kodo za sledenje. Ti izdelki niso dostavljeni sosedom in je potreben podpis, zato mora biti nekdo doma, da prejme izdelek. Opomba: ti veliki izdelki niso dostavljeni ob sobotah!

Če dostava velikega izdelka ne uspe ob prvem poskusu, vas bo prevoznik kontaktiral preko e-pošte ali SMS-a, da vam pošlje urnik, da lahko izberete čas, ko boste doma.

Za pošiljke na otoke veljajo dodatni stroški dostave v višini od 30 € do 100 € zaradi dodatnih logističnih stroškov, kot so prevoz po vodi in omejena dostopnost, in veljajo dodatni stroški za paletne pošiljke za prevoz krhkih in težjih izdelkov.

Imate podjetje?

Pridobite dostop do ekskluzivnih B2B ugodnosti!

Zahtevaj svoj B2B račun
€ 10 Popust
Pridružite se skupnosti Loriano za izboljšave doma
Pripravljeni na povezovanje in ekskluzivno vsebino? Naš novičnik prinaša ideje za slog, projektne vodiče, zgodnji dostop do razprodaj in prve poglede na nove izdelke. Prijavite se zdaj in takoj prejmite svoj dobrodošli kupon v vrednosti € 10!

Izberite svojo državo:
Bank transfer Card Apple Pay Google Pay Pay By Bank
Loriano.si | Copyright 2006 - 2026 | Vse pravice pridržane | Piškotki